你需要了解的壓控晶體振蕩器知識
壓控晶體振蕩器VCXO是提供石英諧振器穩定性的電子組件或模塊,并且可以進行較小的壓控調節。壓控晶體振蕩器,VCXO在許多需要晶體振蕩器穩定性的RF電路中都有用,但是具有拉動或調整它們的能力。貼片壓控晶振VCXO之所以得名,是因為晶體諧振器通常被稱為“ Xtals”,即VCXO代表壓控Xtal振蕩器。使用VCXO可以使石英晶體具有很高的穩定性,并可以實現低水平的相位噪聲,同時仍可以少量改變或調整頻率。
VCXO通常是電子組件,可在需要對信號進行小的可編程調整的情況下使用,例如,用作電子系統中的參考信號。此處,VCXO可以使用從數字信號中導出的電壓進行編程。

VCXO還可在控制電壓可用來抵消由溫度,老化等引起的頻率變化的情況下使用。通過這種方式,它們在許多電子電路設計中得到了應用。
VCXO電路
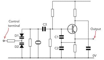
VCXO的基本電路包括一個標準晶體振蕩器,但具有一種電子裝置,可以對頻率進行微調或“拉”。使用變容二極管或變容二極管幾乎總是可以實現這一點。在大多數VCXO中,在晶體上放置一對背對背二極管。將反向偏壓施加到二極管的陽極,然后將其用作晶體上的可變電容器。在大多數情況下,使用的是Colpitts振蕩器電路。

典型的VCXO電路
可以拉動晶體頻率的數量取決于多種因素,包括所施加的電容水平,電路狀況本身以及晶體。但是,不能將頻率拉得太遠,因為隨著晶體兩端電容水平的增加,晶體的活性會降低。如果有必要將VCXO拉至較大范圍,則可以在電路中集成一個電感器。
VCXO應用
VCXO用于許多應用程序。這里有一些:
溫控晶體振蕩器: VCXO用于TCXO-溫控晶體振蕩器,其中溫度補償電壓施加到VCXO的控制端子。通過這種方式,可以大大減少漂移。盡管VCXO的性能仍然不如全烤箱控制的晶體振蕩器,但是它能夠提供比單個無補償晶體振蕩器更好的性能水平,并且遠低于全烤箱控制的晶體振蕩器的成本。 。
窄帶PLL: 在另一種應用中,VCXO可以用于窄帶鎖相環,其中僅需要少量的頻率變化。在這里,它們能夠提供很好的相位噪聲。它們可以在此角色中用于信號重構。
其他應用: VCXO用于需要穩定和低相位噪聲振蕩器的其他電子設計中,可以用相對較小的量進行調整或調整。通常,這些應用出現在各種RF設計以及定時電路中。
VCXO性能
使用這種方法,頻率變化大約為35至50 ppm /伏的VCXO數字相當容易實現,而具有這些數字的VCXO非常普遍。
自然地,可以拉低VCXO頻率的事實降低了振蕩器電路的整體性能。振蕩器的相位噪聲性能會下降,因為會大大降低諧振器的有效Q值。另外,頻率穩定性不是很好。
VCXO的主要問題之一是溫度漂移。由于這會在電壓控制范圍內變化,因此無法針對所有級別的控制電壓進行優化,終設計是一個折衷方案。當不使用其他形式的溫度補償而使用時,它們的漂移可能會比其他形式的晶體振蕩器大。
-
2025-11-18愛普生小尺寸,高性能的LVDS輸出壓控晶振(VCXO)VG5032VDN
-
2025-11-04EPSON內置熱敏電阻,小尺寸高穩定的 38.4MHz 晶體單元 F
-
2025-10-10愛普生FC1610BN超小尺寸低ESR的32.768kHz晶體單元
-
2025-09-25愛普生VG3225VFN低抖動寬頻VCXO賦能5G與光通信高速發
-
2025-09-19愛普生車規級32.768 kHz晶振FC2012AA助力汽車新項目研


466009906